YK-100C帶通訊數字壓力表,是我公司新推出的微功耗智能產品。它采用了先進微功耗器件以及獨具特色的軟件處理技術,可真實地連續測量壓力數值。內置LI電池可24小時連續工作3年以上;它采用大屏幕段碼寬視角液晶顯示窗,讀數十分醒目、直觀。該產品出廠前,經過了高低溫老化、應力老化和溫度補償等工藝,即使在 (0 ~ 50)℃ 范圍、一年時間內、99% 置信概率的苛刻條件下,也能夠確保產品的準確度。它主要用于校驗壓力(差壓)變送器、精密壓力表、一般壓力表、血壓計等其它壓力儀器儀表,也可廣泛用于需要精密測量壓力的場合等。它是指針式精密壓力表的更新換代產品。
高精度數字壓力表特點:
微功耗、準確度高、 高清晰度數字液晶顯示
體積小、易操作、便于現場校驗及精密壓力測量時使用
智能校準、線性修復、兩秒鐘磁筆感應調零
液晶顯示具有動態壓力值 顯示功能,直觀顯示壓力百分比
壓力單位 : mmH2O mmHg psi kPa MPa Pa mbar bar 多達十種壓力單位 ( 可選 )
數字壓力表附帶485 RTU協議,配套上位機軟件可實時監控傳輸數據
通訊數字壓力表技術指標:
使用環境
a 、溫度:( 0 ~ 50 ) ℃ 保證準確度的工作溫度范圍)
b 、相對濕度: <95%
技術參數
壓力范圍: -100kPa ~ 2kPa ~ 250MPa (可根據用戶需要訂制其它壓力量程)
準確度(精度): ±0.25%F.S ; ±0.16%F.S ; ±0.1%F.S ; ±0.05%F.S
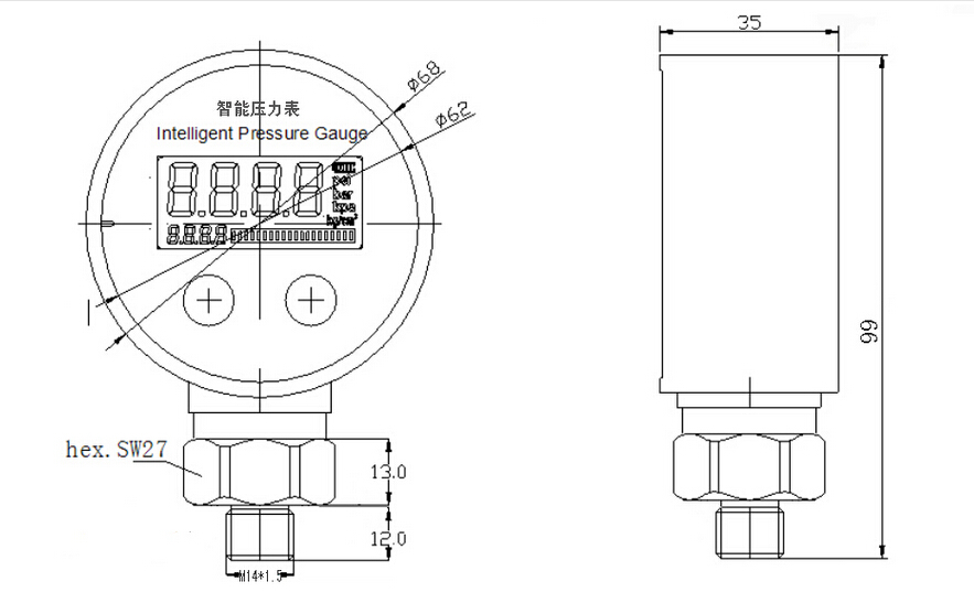
外形尺寸及重量
外形尺寸: φ 100mm × 34mm ; 重 量: 0.5kg
雙供電 內置鋰電池供電可以當數字壓力表使用
外供電 激活485通訊端口,可實時傳輸數據(9V電源適配器和24V可選)
同時記錄存儲數據
為拓展國內變送器市場,用高品質的產品服務于國人,我們的價格和海外出口保持一致。
做為生產廠家,我們可以提高從標準產品到定制產品的一系列服務,不同的供電方式,不同的輸出,不同的接頭,不同的精度,不同的激光標簽等
做為廠家,生產資質是非常重要的,我們的生產計量器具許可證為 陜制00000619號
假如您公司也做出口業務,那我們非常希望能成為你們的供貨商,提高一流的產品和服務
假如您在國內做項目,我們也非常希望能成為您的供貨商,對于我們的價格,我們堅信我們是性價比最高的產品
對于批量采購的國內客戶,我們非常愿意為您提供免費的樣品,以表我們的誠意。銷售電話:15109232334 029-88923955


